Our interns are improving the world

Our interns are improving the world

Our interns project has improved the efficiency of electrical production at a small hydroelectric power plant

 

Our intern Aleks Žvikart has decided to tackle and solve the problem present at a small hydroelectric power plant which is situated near the Slovenian/Italian border. 

He chose to improve the production of electricity at the hydroelectric power plant Bela, situated near the vilage of Podbela, which had been running innefficiently for years. 

The problem was that the signalling apparatus designed to monitor the depth of the headwaters, two kilometres away from the generator, had stopped operating years ago, as a result of numerous cabling problems along the route – which led to a loss in efficiency of up to 20%.

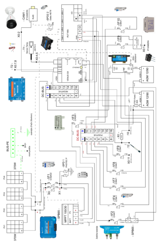
Aleks had to therefore reestablish communications between the water catchment and the power plant engine room – measuring the water level at the catchment pool, and sending this data to the engine room two kilometres away. To solve the problem, he decided to design and build an off-grid power source at the remote headwater so that levels could be monitored remotely.

4 monocrystalline solar panels were used as a off-grid power source and a distribution cabinet was built at the water catchment containig the following products: 

With his theoretical and practical skills Aleks was able to increase the annual production of electricity by 15-20% – whilst maintaining the renewable ethos of the system Water and Sun.

The project has also been recognised as a highly credible work from the producer of components Victron Energy and published on their BLOG

All the components which Aleks used in his project can also be bougt in our webshop. You are very welcome to explore and shop!